
Bulipu
โCarpentry Squares
Bulipu 12 Inch Triangle Ruler High Precision Aluminum Alloy Architect Engineer Carpenter
Price unavailableView

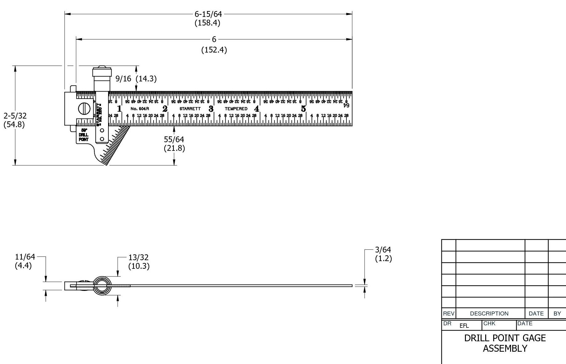
This gage was designed specifically for use in drill grinding. It provides a quick, accurate way for determining the correct drill point angle of 59ยบ and the correct length of drill lips necessary for clean-cut drilling at maximum feeds and speeds.
Customer reviews
10 Trustpilot reviews total, with 2 shown at a time.
I wrote to Bigamart's customer support and they accompanied the process of reshipping the item until it finally arrived. I felt a genuine effort to solve the problem till it was finally solved.
The package was here in Australia from England in a few days โ so quick! Something was missing and they refunded it straight away. Pretty happy with these guys.
You might also like


