
by Bay Interiors
โWindow-Dressing Hardware
Curtain Spacers 5cm BIPPS Perfect Pleats 12 Pack for Poles up to 28mm Eyelet Curtains
โ
โ
โ
โ
โ
4.6
$29.99
View
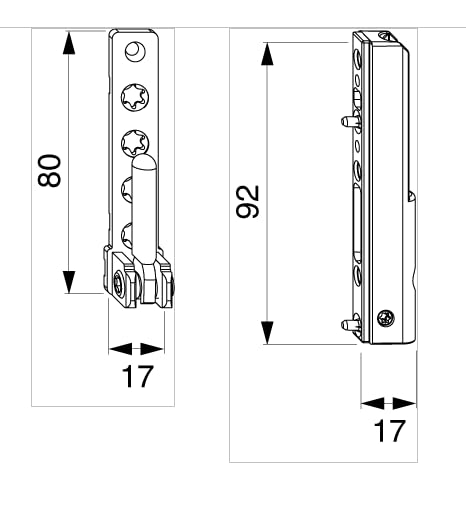
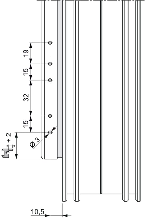
Maco repair corner bearing for plastic windows. Fitting suitable for the Multi-Trend and Multi-Matic series. Available in silver / silver with white caps or painted white
Customer reviews
10 Trustpilot reviews total, with 2 shown at a time.
I wrote to Bigamart's customer support and they accompanied the process of reshipping the item until it finally arrived. I felt a genuine effort to solve the problem till it was finally solved.
The package was here in Australia from England in a few days โ so quick! Something was missing and they refunded it straight away. Pretty happy with these guys.
You might also like


