
Keenso
โPressure Regulators
Pressure Reducing Valve, BSP DN50 2inch Brass Water Pressure Reducing Valve 2'' Adjustable Water Control Pressure Regulator Valve Thread with Gauge Meter 1.6MPa
โ
โ
โ
โ
โ
4
$109.99
View
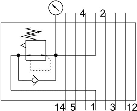
Regulator plate VABF-S3-2-R1C2-C-6 For valve terminal VDMA-01/02 standard port pattern to 15407-1 up to 6 bar. Width=18 mm Based on the standard=ISO 15407-1 Assembly position=Any Pneumatic vertical stacking=Pressure regulator for 1 Controller function=(* Output pressure constant * with secondary exhaust).
Customer reviews
10 Trustpilot reviews total, with 2 shown at a time.
I wrote to Bigamart's customer support and they accompanied the process of reshipping the item until it finally arrived. I felt a genuine effort to solve the problem till it was finally solved.
The package was here in Australia from England in a few days โ so quick! Something was missing and they refunded it straight away. Pretty happy with these guys.
You might also like


