

Drain Overflow, TG
About this item
- Elegant flow and drain combination for hot tub or bath
- Bathtub drain with exceterbet, integrated odour trap
- Easy installation, easy to use
- Water inlet in overflow integrated inlet tap down
Product description
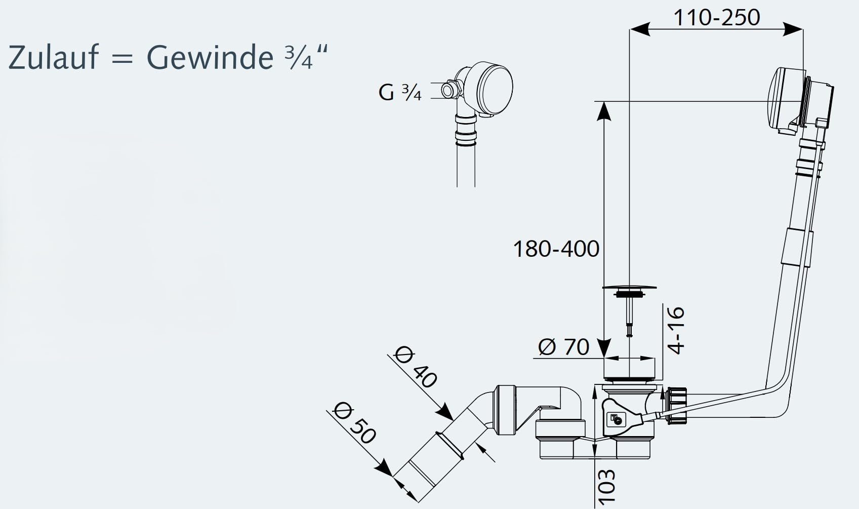
Aquade bath drain with inlet, made in Germany, elegant supply and drain combination for whirlpool or bath. Quality: Made in Germany. Bathtub drain with exceter actuation, integrated odour trap. Easy installation, easy to use. Water inlet integrated into the overflow - inlet tap is necessary. With this combination you bring comfortable sophistication to your bathroom. The Exceter bath drain opens and closes with a rosette. Integrated odour trap. The highlight is that the water inlet is integrated into the overflow. The pre-mixed water runs into the tub here and you can elegantly do without an inlet tap. Attractive easy-care inlet and drain combination for bathtubs, including all necessary seals. Trust in our bathroom expertise. Easy installation by your craftsman or do-it-yourself by the skilled DIY enthusiast. For fitting your bath or whirlpool bath, use the bathtub drain set with overflow from our house. Ensure more elegance in the bathroom - making bathing really fun. Technical data - with: 3/4 inch inlet drain lid material: Stainless steel drain lid: 70 mm. Outlet: 40/50 mm. Quality: made in Germany
Product details
Customer reviews
What customers say about Bigamart
10 Trustpilot reviews total, with 2 shown at a time.
I wrote to Bigamart's customer support and they accompanied the process of reshipping the item until it finally arrived. I felt a genuine effort to solve the problem till it was finally solved.
The package was here in Australia from England in a few days โ so quick! Something was missing and they refunded it straight away. Pretty happy with these guys.
You might also like
Similar items




