

Adeept Colorful 3D Xmas Christmas Tree Led DIY Kits, 7 Color Flash RGB LED Circuit Electronic Assemble Funny Kits, STEM Project PCB Board for Student Teens Soldering Practice Learning…
About this item
- This is a fun DIY kit for your family on Christmas Day, a creative welding practice kit with the shape of the Christmas tree once assembled.
- A great DIY welding kit to practice practical skills and welding skills for all STEM enthusiasts. No programming required.
- Awesome gift: DIY mini Christmas tree, especially sparkling in the dark environment. Colorful LED lights flash alternately, wherever it is beautiful. Can be used as a gift for friends, colleagues and family.
- Working voltage: DC 4.5V-5V, working voltage can be powered by 3 AA batteries or USB power adapter directly (comes with battery holder and USB cable, battery not included). Dimensions: 60 x 60 x 136 mm (L x W x H).
Product description
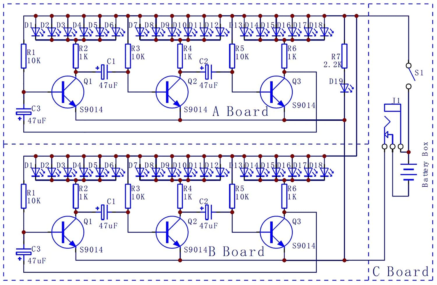
Product description Adeept Christmas Tree 3D LED Flashing DIY Electronic Soldering Kit Flash Circuit LED Circuit Board 3D Christmas Tree DIY Module Fun Kit An Educational Kit:This kind of kit is DIY electronic kit, Christmas tree enthusiasts can learn basic electronic knowledge, circuit principles and soldering skills when installing the beautiful colorful LED flashing Christmas tree, also can have a lot of fun from assembling the tree. EASY TO ASSEMBLE, EXERCISE CRAFTSMANSHIP - Clearly mapped and labeled connection on the board makes it easy to assemble, installation is demanding and requires patience It is a great DIY soldering kit to practice practical skills and welding skills for all STEM enthusiasts. Awesome Gift & Decoration: This amazing LED flashing Christmas tree will be a wonderful gift for friends and family, or DIY enthusiasts, soldering enthusiasts. It can be used as a desk decoration and also as a nice decoration at home in holidays and parties such as Christmas. You can also use it as a delicate bed lamp. Specifications: The working voltage is DC 4.5-5V, the finished size is 60mm long x 60mm wide x 136mm high. 【Good Service】We have a very professional technical support team, which can provide very done technical support. Directions Included with product Safety Warning Welding exercises for teenagers must be completed with the guidance of an adult.
Product details
Customer reviews
What customers say about Bigamart
10 Trustpilot reviews total, with 2 shown at a time.
I wrote to Bigamart's customer support and they accompanied the process of reshipping the item until it finally arrived. I felt a genuine effort to solve the problem till it was finally solved.
The package was here in Australia from England in a few days — so quick! Something was missing and they refunded it straight away. Pretty happy with these guys.
You might also like
Similar items




